13739106678
0523-84324678
CZ係列標準化工泵是臥式(shì)、單級、單吸離(lí)心(xīn)泵;其尺寸和性能符合DIN24256/1S02858標準。
CZ係列標準化工泵的性能範圍包括了IH係列標準化工泵所有性能,其效(xiào)率、汽蝕性能等指標均超過H型泵,可與(yǔ)H型泵進行單機互換。
用途
輸送(sòng)低(dī)溫或高溫液體;中(zhōng)性或有腐蝕性液體;清潔或內含有固體顆粒的液(yè)體(tǐ)。特別適用於:
化學和石油化學工(gōng)業
造紙廠和紙漿業
塗裝行業(脫脂(zhī)、磷化、電泳等工序(xù))
一、CZ型化工泵性(xìng)能範圍
流量: 可達2000m3/h
揚程(chéng): 可達160m
工作壓力(lì): 2.5MPa
工作溫度: -80℃ ~ +300℃
特性曲線平坦,汽蝕值低,效率高,在(zài)不(bú)滿(mǎn)負荷時,也保(bǎo)持這些特性。
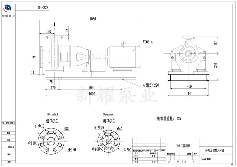
安裝圖

二、CZ型標準化工泵性能參(cān)數表


